Проходная сливная группа Roho R612-100 - 1" (с воздухоотводчиком) (RO0154)
Проходная сливная группа Roho R612-100 - 1" (с воздухоотводчиком) (RO0154): Надежное решение для вашего теплого пола
Проходная сливная группа Roho R612-100 – это высококачественный сантехнический элемент, разработанный специально для систем теплого пола. Она обеспечивает удобное и эффективное управление сливом теплоносителя и удаление воздуха из системы, что существенно повышает надежность и долговечность вашей отопительной системы.
Основные преимущества и особенности модели Roho R612-100
- Встроенный воздухоотводчик – автоматически удаляет воздух из системы, предотвращая образование воздушных пробок и обеспечивая равномерный прогрев теплого пола.
- Стандартный размер 1" – совместимость с большинством труб и фитингов, что делает монтаж быстрым и простым.
- Высокое качество материалов – изготовлена из прочных и коррозионностойких материалов, которые гарантируют долгий срок службы даже в условиях повышенной влажности.
- Удобство эксплуатации – продуманная конструкция позволяет легко контролировать и регулировать слив теплоносителя без необходимости демонтажа системы.
- Оптимальная цена – соотношение цены и качества, что делает эту сливную группу доступной для широкого круга пользователей.
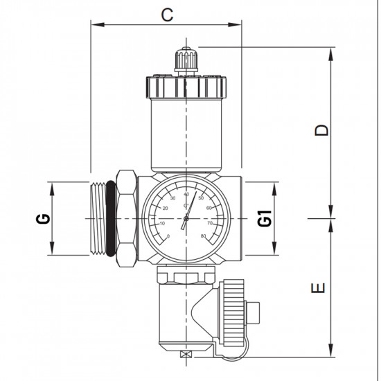
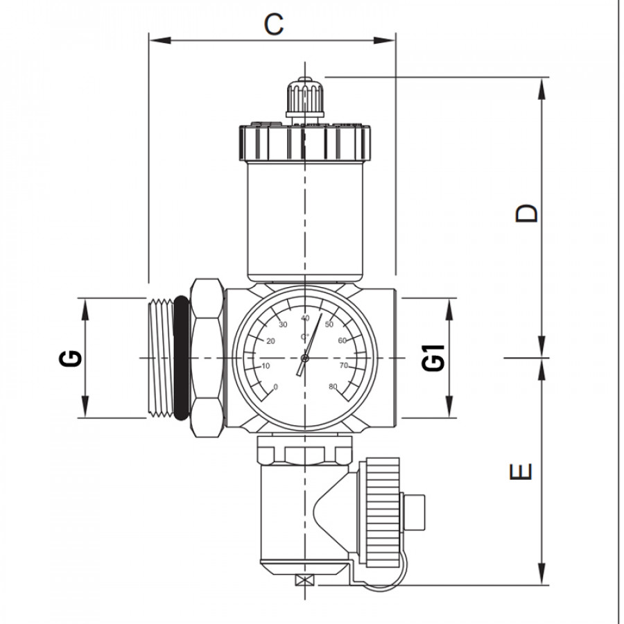
Технические характеристики
- Диаметр подключения: 1"
- Тип: проходная сливная группа с воздухоотводчиком
- Материал: латунь с антикоррозийным покрытием
- Максимальное рабочее давление: 10 бар
- Максимальная температура теплоносителя: до 90°C
- Артикул: RO0154
Почему стоит выбрать проходную сливную группу Roho R612-100 для теплого пола?
Система теплого пола требует регулярного обслуживания и контроля для обеспечения эффективной и бесперебойной работы. Проходная сливная группа Roho R612-100 помогает решить эти задачи максимально просто и надежно.
- Предотвращает воздушные пробки, которые могут снижать эффективность отопления.
- Ускоряет процесс слива теплоносителя во время обслуживания или ремонта системы.
- Обеспечивает герметичность и безопасность эксплуатации благодаря качественной сборке и материалам.
- Подходит для комплексных систем с разными типами теплоносителей и труб.
Инструкция по монтажу и обслуживанию
- Убедитесь, что система отопления выключена и остыла перед началом монтажа.
- Установите сливную группу в указанное место согласно проекту системы теплого пола.
- Подключите трубы диаметром 1" к соответствующим патрубкам сливной группы.
- Проверьте герметичность соединений с помощью специальных уплотнителей или фум-ленты.
- Во время эксплуатации регулярно проверяйте работу воздухоотводчика, чтобы избежать накопления воздуха в системе.
- При необходимости слейте теплоноситель через проходную группу для проведения технического обслуживания.
Отзывы пользователей и рекомендации экспертов
Клиенты, которые уже используют сливную группу Roho R612-100, отмечают ее высокую надежность и простоту в эксплуатации. Эксперты в сфере сантехники рекомендуют эту модель как оптимальный выбор для систем теплого пола благодаря ее функциональности и долговечности.
Преимущества покупки в нашем интернет-магазине
- Оригинальная продукция бренда Roho с гарантией.
- Конкурентная цена и регулярные акции.
- Быстрая доставка по Украине.
- Профессиональная консультация от наших менеджеров.
- Удобные способы оплаты.
Выбирайте проходную сливную группу Roho R612-100 - 1" (с воздухоотводчиком) для своего дома или коммерческого объекта, чтобы обеспечить эффективную и бесперебойную работу системы теплого пола. Надежность, качество и комфорт – вот что вы получите с этим продуктом.
Информация про оплату
СПОСОБЫ ОПЛАТЫ
- Оплата на карту Monobank
Реквизиты карты отправляет менеджер интернет-магазина после подтверждения заказа
- Оплата на расчетный счет
Счет выставляется менеджером интернет-магазина после подтверждения заказа
- Оплата наличными
При самовывозе из магазина или курьеру при адресной доставке по г. Кривому Рогу
- Оплата картой
Только в офлайн магазине в г. Кривой Рог
Доставка осуществляется по всей территории Украины (кроме мест, где временно невозможно почтовое сообщение).
ДОСТАВКА ПО ГОРОДУ КРИВОЙ РОГ
- Самовывоз: магазин по адресу г. Кривой Рог, проспект Металлургов 33.
- Доставка курьером: по г. Кривой Рог.
Перед посещением магазина, пожалуйста, резервируйте товар удобным способом: заказ через сайт, онлайн-консультант или по телефону.
ВАЖНО: неоплаченный товар резервируется в магазине до 3-х рабочих дней.
ДОСТАВКА ПО УКРАИНЕ
Почтовая служба Новая Почта:
- До отделения Новой Почты
- Адресная доставка: курьер Новой Почты доставит вам товар домой
Стоимость доставки: согласно тарифам перевозчика.
СРОКИ ДОСТАВКИ
Срок доставки вашего заказа может составлять от 1 до 5 рабочих дней и обязательно согласовывается при подтверждении заказа.
ИНФОРМАЦИЯ О ДОСТАВКЕ
Перед отправкой все товары проверяются на наличие дефектов и комплектацию.
При покупке крупногабаритного товара, помните, что отделения Новой Почты имеют ограничения по весу.
После отправки заказа номер товарно-транспортной накладной (ТТН) придет в виде SMS-сообщения.
Почта взимает дополнительную плату за хранение посылок через 5 суток. Бесплатное хранение заказа на складе перевозчика до 5 дней. Посылки автоматически отзываются после 5 дней хранения на складе курьерской службы. Забирайте заказ вовремя!
Если посылка пришла в поврежденной упаковке, рекомендуется вскрывать ее в присутствии сотрудника транспортной компании.
Если качество товара или его внешний вид не соответствует описанию на нашем сайте или товар имеет неудовлетворительный вид, свяжитесь с нами по телефонам:
- +380 (93) 834-79-40 (WhatsApp, Telegram, Viber)
- +380 (63) 494-83-99
- +380 (97) 220-44-13












