Крестовина ПРОХОДНА Koer K0262.PRO - 25 PPR (KP2615)
Перекресток ПРОХОДНОЙ Koer K0262.PRO - 25 PPR (KP2615): Надежное соединение для вашей сантехники
Перекресток ПРОХОДНОЙ Koer K0262.PRO - 25 PPR (KP2615) – это высококачественный элемент трубопроводной системы, который обеспечивает прочное и герметичное соединение пластиковых труб из полипропилена (PPR). Он идеально подходит для монтажа в системах холодного и горячего водоснабжения, отопления, а также для других инженерных сетей.
Основные характеристики товара
- Материал: полипропилен (PPR) высокого качества;
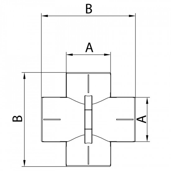
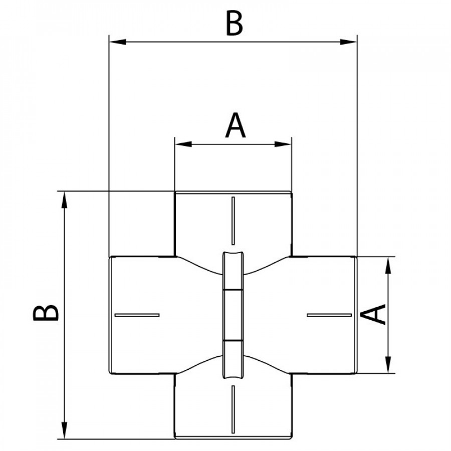
- Диаметр: 25 мм;
- Тип соединения: перекресток проходной для создания ответвлений в трубопроводе;
- Бренд: KOER – известный производитель сантехники с гарантией качества;
- Сфера применения: системы холодного и горячего водоснабжения, отопления;
- Срок службы: не менее 50 лет при правильном монтаже.
Преимущества перекрестка Koer K0262.PRO
Выбор правильных комплектующих для трубопровода гарантирует долговечность и бесперебойную работу системы. Перекресток Koer K0262.PRO имеет ряд важных преимуществ:
- Высокая прочность и износостойкость. Материал устойчив к коррозии, химическим веществам и температурным колебаниям.
- Простой и надежный монтаж. Благодаря точным размерам и гладкой поверхности трубы соединяются быстро и герметично.
- Экологическая безопасность. PPR материал не выделяет вредных веществ в воду и полностью безопасен для здоровья.
- Универсальность. Подходит для различных типов систем водоснабжения и отопления.
- Оптимальная цена. Выгодное предложение для профессионалов и домашних мастеров.
Технические параметры и особенности
Перекресток проходной Koer K0262.PRO изготовлен из стабилизированного полипропилена, что обеспечивает высокую механическую стойкость и долговечную эксплуатацию без потери свойств. Основные технические характеристики:
- Диаметр трубопровода: 25 мм;
- Максимальная рабочая температура: до +95 °C;
- Максимальное рабочее давление: до 20 бар;
- Цвет: белый, что облегчает визуальный контроль качества соединения;
- Соответствие стандартам: сертификат качества, соответствие международным нормам.
Где применяется перекресток проходной Koer K0262.PRO?
Этот элемент является незаменимым в различных сферах:
- Системы холодного и горячего водоснабжения в жилых и коммерческих зданиях;
- Отопительные системы, включая радиаторное и напольное отопление;
- Промышленные трубопроводы, где нужны надежные пластиковые соединения;
- Инженерные сети с химически агрессивными средами — благодаря стойкости материала;
- Ремонтные работы и модернизация существующих систем.
Как правильно установить перекресток Koer K0262.PRO?
Для обеспечения максимальной герметичности и надежности монтажа рекомендуем придерживаться следующих шагов:
- Подготовить трубы: очистить концы от загрязнений, снять фаску;
- Выполнить нагревание концов труб и перекрестка с помощью специального паяльника для PPR;
- Соединить детали, удерживая их в фиксированном положении до полного охлаждения;
- Проверить герметичность соединения после монтажа при рабочем давлении;
- Выполнять монтаж согласно инструкциям производителя и строительным нормам.
Почему стоит купить перекресток Koer K0262.PRO в нашем интернет-магазине?
Мы предлагаем нашим клиентам только сертифицированную продукцию от надежных производителей. Покупая перекресток проходной Koer K0262.PRO - 25 PPR (KP2615) в нашем интернет-магазине, вы получаете:
- Гарантию качества и соответствие всем стандартам;
- Конкурентные цены и регулярные акции;
- Профессиональную консультацию по выбору и монтажу;
- Быструю доставку по всей территории Украины;
- Удобные способы оплаты.
Выбирайте надежность и долговечность – выбирайте перекресток Koer K0262.PRO! Запаситесь качественными комплектующими для трубопровода уже сегодня и обеспечьте бесперебойную работу вашей сантехнической системы на долгие годы вперед.
Информация про оплату
СПОСОБЫ ОПЛАТЫ
- Оплата на карту Monobank
Реквизиты карты отправляет менеджер интернет-магазина после подтверждения заказа
- Оплата на расчетный счет
Счет выставляется менеджером интернет-магазина после подтверждения заказа
- Оплата наличными
При самовывозе из магазина или курьеру при адресной доставке по г. Кривому Рогу
- Оплата картой
Только в офлайн магазине в г. Кривой Рог
Доставка осуществляется по всей территории Украины (кроме мест, где временно невозможно почтовое сообщение).
ДОСТАВКА ПО ГОРОДУ КРИВОЙ РОГ
- Самовывоз: магазин по адресу г. Кривой Рог, проспект Металлургов 33.
- Доставка курьером: по г. Кривой Рог.
Перед посещением магазина, пожалуйста, резервируйте товар удобным способом: заказ через сайт, онлайн-консультант или по телефону.
ВАЖНО: неоплаченный товар резервируется в магазине до 3-х рабочих дней.
ДОСТАВКА ПО УКРАИНЕ
Почтовая служба Новая Почта:
- До отделения Новой Почты
- Адресная доставка: курьер Новой Почты доставит вам товар домой
Стоимость доставки: согласно тарифам перевозчика.
СРОКИ ДОСТАВКИ
Срок доставки вашего заказа может составлять от 1 до 5 рабочих дней и обязательно согласовывается при подтверждении заказа.
ИНФОРМАЦИЯ О ДОСТАВКЕ
Перед отправкой все товары проверяются на наличие дефектов и комплектацию.
При покупке крупногабаритного товара, помните, что отделения Новой Почты имеют ограничения по весу.
После отправки заказа номер товарно-транспортной накладной (ТТН) придет в виде SMS-сообщения.
Почта взимает дополнительную плату за хранение посылок через 5 суток. Бесплатное хранение заказа на складе перевозчика до 5 дней. Посылки автоматически отзываются после 5 дней хранения на складе курьерской службы. Забирайте заказ вовремя!
Если посылка пришла в поврежденной упаковке, рекомендуется вскрывать ее в присутствии сотрудника транспортной компании.
Если качество товара или его внешний вид не соответствует описанию на нашем сайте или товар имеет неудовлетворительный вид, свяжитесь с нами по телефонам:
- +380 (93) 834-79-40 (WhatsApp, Telegram, Viber)
- +380 (63) 494-83-99
- +380 (97) 220-44-13








