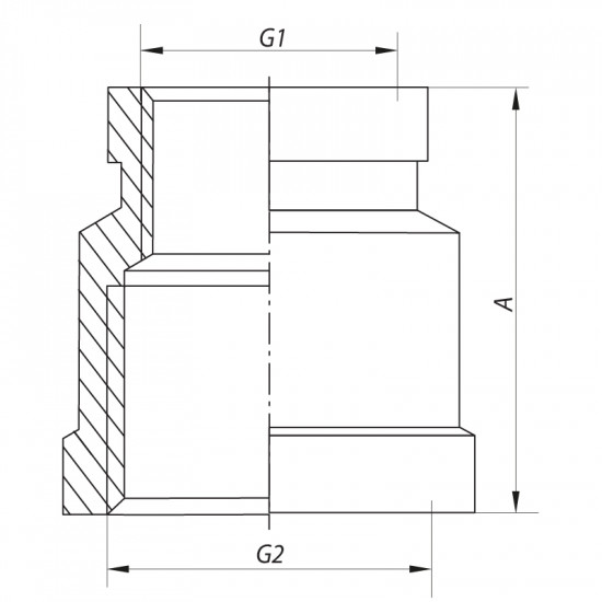
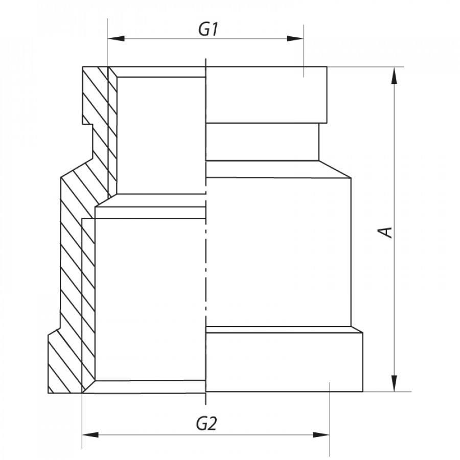
Муфта редукционная 1-1/2"x2" Koer KF.C1620 (KF0027)
Редукционная муфта 1-1/2"x2" Koer KF.C1620 (KF0027) – надежное решение для качественного соединения труб
Редукционная муфта Koer KF.C1620 – это высококачественный элемент трубопроводной системы, который предназначен для соединения труб различного диаметра с максимальной надежностью и долговечностью. Изделие изготовлено из прочных материалов, что обеспечивает стойкость к коррозии, механическим нагрузкам и агрессивной среде, что делает его идеальным выбором для сантехнических систем в Украине.
Основные характеристики редукционной муфты Koer KF.C1620
- Диаметры соединения: 1-1/2" и 2"
- Материал: высококачественный латунный сплав
- Тип соединения: резьбовое (внутренняя/наружная резьба)
- Производитель: KOER – известный бренд с проверенной репутацией
- Код товара: KF0027
- Сфера применения: системы водоснабжения, отопления, газоснабжения
Преимущества использования редукционной муфты Koer KF.C1620
- Надежность и прочность. Благодаря качественным материалам и современным технологиям производства, муфта обеспечивает длительную эксплуатацию без протечек и деформаций.
- Простота монтажа. Резьбовое соединение позволяет быстро и легко установить муфту без специального оборудования и дополнительных затрат времени.
- Универсальность. Возможность соединения труб различного диаметра делает этот элемент незаменимым для ремонта и модернизации трубопроводных систем.
- Скоростная устойчивость к коррозии. Латунный сплав не поддается ржавчине, что значительно продлевает срок службы изделия.
- Экономичность. Оптимальная цена при высоком качестве делает муфту выгодным выбором для бытовых и промышленных нужд.
Область применения редукционной муфты Koer KF.C1620
Редукционная муфта Koer KF.C1620 широко используется в различных сферах сантехнических работ, среди которых:
- Водоснабжение жилых домов и коммерческих объектов;
- Системы отопления с различным диаметром труб;
- Газовые сети с соблюдением всех норм безопасности;
- Ремонтные работы в промышленных и коммунальных системах;
- Промышленные предприятия, где требуется надежное соединение труб различного диаметра.
Рекомендации по монтажу и эксплуатации
Для обеспечения максимальной эффективности и долговечности редукционной муфты Koer KF.C1620 рекомендуем соблюдать следующие советы:
- Подготовка труб. Перед монтажом убедитесь, что трубы чистые, без заусенцев и коррозийных отложений.
- Использование уплотнителей. Для предотвращения протечек рекомендуется использовать специальные сантехнические уплотнители или лен с пастой.
- Контроль затягивания. Не перетягивайте резьбовые соединения, чтобы избежать повреждения резьбы.
- Регулярный осмотр. Периодически проверяйте состояние муфты для своевременного выявления возможных дефектов.
Почему стоит купить редукционную муфту Koer KF.C1620 именно в нашем интернет-магазине?
Выбирая нашу компанию, вы получаете:
- Гарантию качества. Все товары сертифицированы и соответствуют стандартам Украины и Европы.
- Быструю доставку. Оперативная отправка по всей территории Украины, включая Киев, Львов, Харьков, Одессу и другие города.
- Консультации специалистов. Наши менеджеры помогут подобрать оптимальное решение для вашего проекта.
- Выгодные цены. Прямые поставки от производителя позволяют нам удерживать конкурентные цены.
- Удобные условия оплаты. Возможность оплаты онлайн, при получении и другими удобными способами.
Заказывайте редукционную муфту Koer KF.C1620 сейчас!
Не теряйте время на поиски – закажите редукционную муфту 1-1/2"x2" Koer KF.C1620 (KF0027) в нашем интернет-магазине уже сегодня. Обеспечьте надежное и долговечное соединение труб в вашей сантехнической системе с продукцией от ведущего производителя KOER.
Переходите в каталог, добавляйте товар в корзину и оформляйте заказ в один клик!
Информация про оплату
СПОСОБЫ ОПЛАТЫ
- Оплата на карту Monobank
Реквизиты карты отправляет менеджер интернет-магазина после подтверждения заказа
- Оплата на расчетный счет
Счет выставляется менеджером интернет-магазина после подтверждения заказа
- Оплата наличными
При самовывозе из магазина или курьеру при адресной доставке по г. Кривому Рогу
- Оплата картой
Только в офлайн магазине в г. Кривой Рог
Доставка осуществляется по всей территории Украины (кроме мест, где временно невозможно почтовое сообщение).
ДОСТАВКА ПО ГОРОДУ КРИВОЙ РОГ
- Самовывоз: магазин по адресу г. Кривой Рог, проспект Металлургов 33.
- Доставка курьером: по г. Кривой Рог.
Перед посещением магазина, пожалуйста, резервируйте товар удобным способом: заказ через сайт, онлайн-консультант или по телефону.
ВАЖНО: неоплаченный товар резервируется в магазине до 3-х рабочих дней.
ДОСТАВКА ПО УКРАИНЕ
Почтовая служба Новая Почта:
- До отделения Новой Почты
- Адресная доставка: курьер Новой Почты доставит вам товар домой
Стоимость доставки: согласно тарифам перевозчика.
СРОКИ ДОСТАВКИ
Срок доставки вашего заказа может составлять от 1 до 5 рабочих дней и обязательно согласовывается при подтверждении заказа.
ИНФОРМАЦИЯ О ДОСТАВКЕ
Перед отправкой все товары проверяются на наличие дефектов и комплектацию.
При покупке крупногабаритного товара, помните, что отделения Новой Почты имеют ограничения по весу.
После отправки заказа номер товарно-транспортной накладной (ТТН) придет в виде SMS-сообщения.
Почта взимает дополнительную плату за хранение посылок через 5 суток. Бесплатное хранение заказа на складе перевозчика до 5 дней. Посылки автоматически отзываются после 5 дней хранения на складе курьерской службы. Забирайте заказ вовремя!
Если посылка пришла в поврежденной упаковке, рекомендуется вскрывать ее в присутствии сотрудника транспортной компании.
Если качество товара или его внешний вид не соответствует описанию на нашем сайте или товар имеет неудовлетворительный вид, свяжитесь с нами по телефонам:
- +380 (93) 834-79-40 (WhatsApp, Telegram, Viber)
- +380 (63) 494-83-99
- +380 (97) 220-44-13








