Згін американка прямой Europroduct EP.0421 - 3/4" (EP6054)
Сгон американка прямой Europroduct EP.0421 - 3/4" (EP6054): Надежное решение для качественного соединения труб
Сгон американка прямой Europroduct EP.0421 - 3/4" (EP6054) – это высококачественный элемент трубопроводной арматуры, который используется для надежного и герметичного соединения труб в системах водоснабжения, отопления и других инженерных сетях. Изделие изготовлено известным брендом EUROPRODUCT, что гарантирует соответствие европейским стандартам качества и долговечности.
Основные характеристики и преимущества товара
- Материал изготовления: высококачественный латунный сплав, который обеспечивает прочность, коррозионную стойкость и длительный срок службы;
- Размер: 3/4" – универсальный диаметр, который подходит для большинства типовых трубопроводных систем;
- Тип соединения: прямой сгон с американкой – позволяет легко разъединять и повторно монтировать трубопровод без повреждения резьбы;
- Герметичность: благодаря качественной резьбе и уплотнениям, сгон обеспечивает надежное предотвращение протечек;
- Применение: подходит для систем холодного и горячего водоснабжения, отопления, а также для монтажа систем газоснабжения;
- Легкая установка: конструкция «американка» позволяет быстро и без применения специального инструмента проводить монтаж и демонтаж;
- Соответствие стандартам: товар сертифицирован и соответствует требованиям ДСТУ, что подтверждает его безопасность и надежность.
Подробное описание конструкции и особенностей
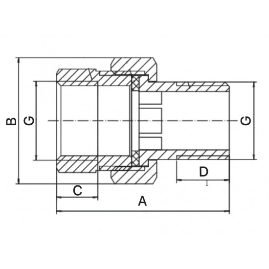
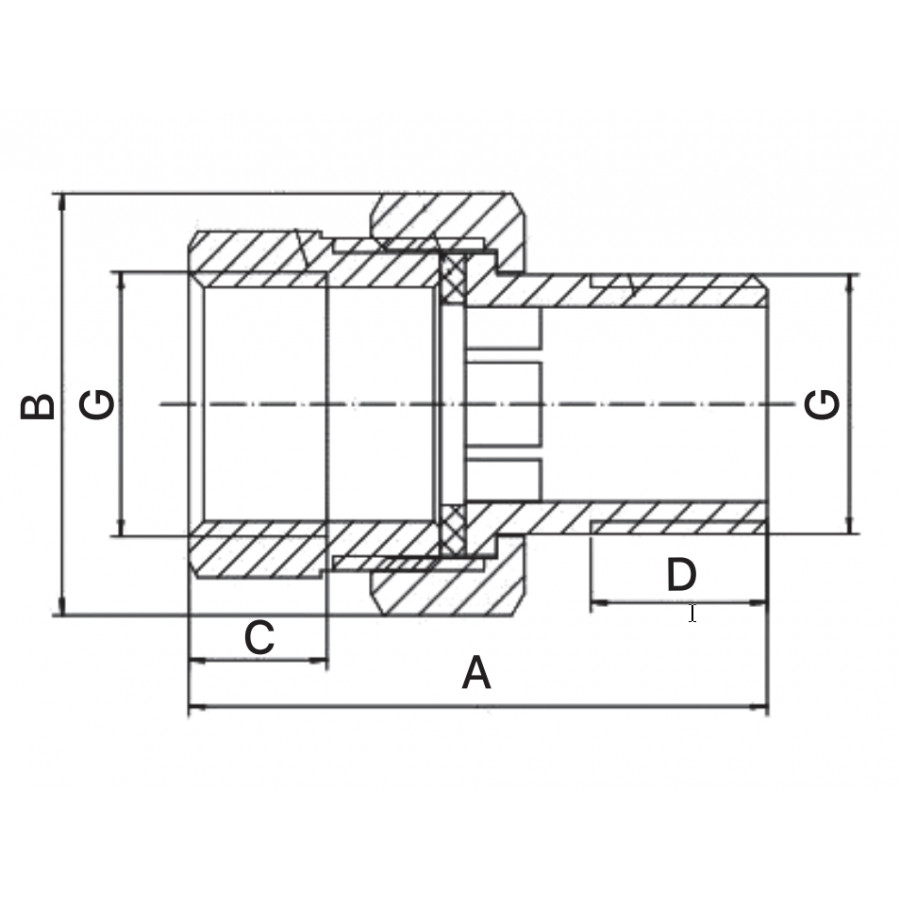
Сгон американка прямой Europroduct EP.0421 – это деталь, которая имеет два основных элемента: винтовую резьбу и накидную гайку (американку). Такая конструкция позволяет:
- Выполнять быстрое соединение труб без необходимости скручивания или пайки;
- Осуществлять повторный демонтаж для ремонта или замены отдельных участков трубопровода;
- Обеспечивать надежное уплотнение благодаря специальным уплотнительным прокладкам, которые входят в комплект;
- Подключать трубы из различных материалов (металлические, пластиковые) благодаря универсальности резьбы;
- Снижать риск повреждения резьбы во время монтажа, так как гайка не фиксируется жестко с трубой.
Материал латунь, используемый в производстве, устойчив к воздействию влаги, химических веществ и температурных колебаний, что делает сгон идеальным выбором для долговременной эксплуатации в сложных условиях.
Область применения сгон американка Europroduct EP.0421
Этот сгон широко используется в различных сферах, среди которых:
- Системы холодного водоснабжения – обеспечивает безопасное соединение труб, которые транспортируют питьевую воду;
- Системы горячего водоснабжения и отопления – выдерживает температурные нагрузки до +90°C и более;
- Газовые сети – при соблюдении соответствующих норм и правил монтажа;
- Промышленные трубопроводы – для подключения различного оборудования и агрегатов;
- Ремонтные работы и монтажные работы в жилых и коммерческих зданиях;
- Системы орошения и полива в сельском хозяйстве.
Почему стоит выбрать сгон американка Europroduct EP.0421?
Выбирая сгон американка прямой Europroduct EP.0421 - 3/4" (EP6054), вы получаете ряд преимуществ:
- Высокое качество материалов. Использование латуни обеспечивает долговечность и надежность соединения.
- Простота монтажа. Конструкция «американка» позволяет легко устанавливать и демонтировать элемент без специальных навыков.
- Герметичность соединения. Надежное уплотнение минимизирует риск протечек даже при высоком давлении.
- Универсальность применения. Подходит для различных типов труб и систем.
- Доступная цена. Оптимальное соотношение стоимости и качества известного бренда EUROPRODUCT.
- Сертифицированное производство. Соответствие стандартам качества и безопасности, подтвержденное соответствующими документами.
Как купить сгон американка Europroduct EP.0421 в Украине?
Наш интернет-магазин сантехники предлагает широкий выбор трубопроводной арматуры от ведущих производителей. Купить сгон американка прямой Europroduct EP.0421 - 3/4" (EP6054) можно с доставкой по всей Украине по выгодной цене.
Преимущества покупки у нас:
- Гарантия качества на весь ассортимент товаров;
- Быстрая обработка заказов и оперативная доставка;
- Профессиональная консультация по выбору и монтажу сантехнических изделий;
- Удобные методы оплаты – онлайн, наложенный платеж, безналичный расчет;
- Регулярные акции и скидки для постоянных клиентов.
Чтобы заказать сгон американка Europroduct EP.0421, добавьте товар в корзину и оформите заявку на сайте или позвоните нашим менеджерам. Мы поможем подобрать оптимальное решение для вашего проекта и обеспечим быструю доставку.
Итог
Сгон американка прямой Europroduct EP.0421 - 3/4" (EP6054) – это надежный, качественный и удобный в использовании элемент трубопроводной системы, который идеально подходит для монтажа и ремонта водопроводных, отопительных и газовых сетей. Выбирая этот изделие, вы инвестируете в долговечность, безопасность и эффективность вашей сантехнической системы.
Информация про оплату
СПОСОБЫ ОПЛАТЫ
- Оплата на карту Monobank
Реквизиты карты отправляет менеджер интернет-магазина после подтверждения заказа
- Оплата на расчетный счет
Счет выставляется менеджером интернет-магазина после подтверждения заказа
- Оплата наличными
При самовывозе из магазина или курьеру при адресной доставке по г. Кривому Рогу
- Оплата картой
Только в офлайн магазине в г. Кривой Рог
Доставка осуществляется по всей территории Украины (кроме мест, где временно невозможно почтовое сообщение).
ДОСТАВКА ПО ГОРОДУ КРИВОЙ РОГ
- Самовывоз: магазин по адресу г. Кривой Рог, проспект Металлургов 33.
- Доставка курьером: по г. Кривой Рог.
Перед посещением магазина, пожалуйста, резервируйте товар удобным способом: заказ через сайт, онлайн-консультант или по телефону.
ВАЖНО: неоплаченный товар резервируется в магазине до 3-х рабочих дней.
ДОСТАВКА ПО УКРАИНЕ
Почтовая служба Новая Почта:
- До отделения Новой Почты
- Адресная доставка: курьер Новой Почты доставит вам товар домой
Стоимость доставки: согласно тарифам перевозчика.
СРОКИ ДОСТАВКИ
Срок доставки вашего заказа может составлять от 1 до 5 рабочих дней и обязательно согласовывается при подтверждении заказа.
ИНФОРМАЦИЯ О ДОСТАВКЕ
Перед отправкой все товары проверяются на наличие дефектов и комплектацию.
При покупке крупногабаритного товара, помните, что отделения Новой Почты имеют ограничения по весу.
После отправки заказа номер товарно-транспортной накладной (ТТН) придет в виде SMS-сообщения.
Почта взимает дополнительную плату за хранение посылок через 5 суток. Бесплатное хранение заказа на складе перевозчика до 5 дней. Посылки автоматически отзываются после 5 дней хранения на складе курьерской службы. Забирайте заказ вовремя!
Если посылка пришла в поврежденной упаковке, рекомендуется вскрывать ее в присутствии сотрудника транспортной компании.
Если качество товара или его внешний вид не соответствует описанию на нашем сайте или товар имеет неудовлетворительный вид, свяжитесь с нами по телефонам:
- +380 (93) 834-79-40 (WhatsApp, Telegram, Viber)
- +380 (63) 494-83-99
- +380 (97) 220-44-13








