Гідрострелка Koer KR.S1032 4/2 (з воздухоотвод. І дренаж. краном) 1"НР SUS304 (KR2959)
Гідрострелка Koer KR.S1032 4/2 (з воздухоотводом і дренажним краном) 1"НР SUS304 (KR2959) – Ідеальне рішення для систем опалення
Гідрострелка Koer KR.S1032 4/2 – це високоякісний елемент систем опалення, який служить для ефективного розподілу теплоносія між котлом і опалювальними контурами. Виріб виготовлений з нержавіючої сталі SUS304, що гарантує довговічність, стійкість до корозії та надійну роботу навіть у складних умовах експлуатації.
Основні характеристики гідрострелки Koer KR.S1032 4/2
- Матеріал: нержавіюча сталь SUS304, що забезпечує високу міцність і довговічність;
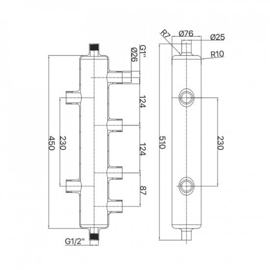
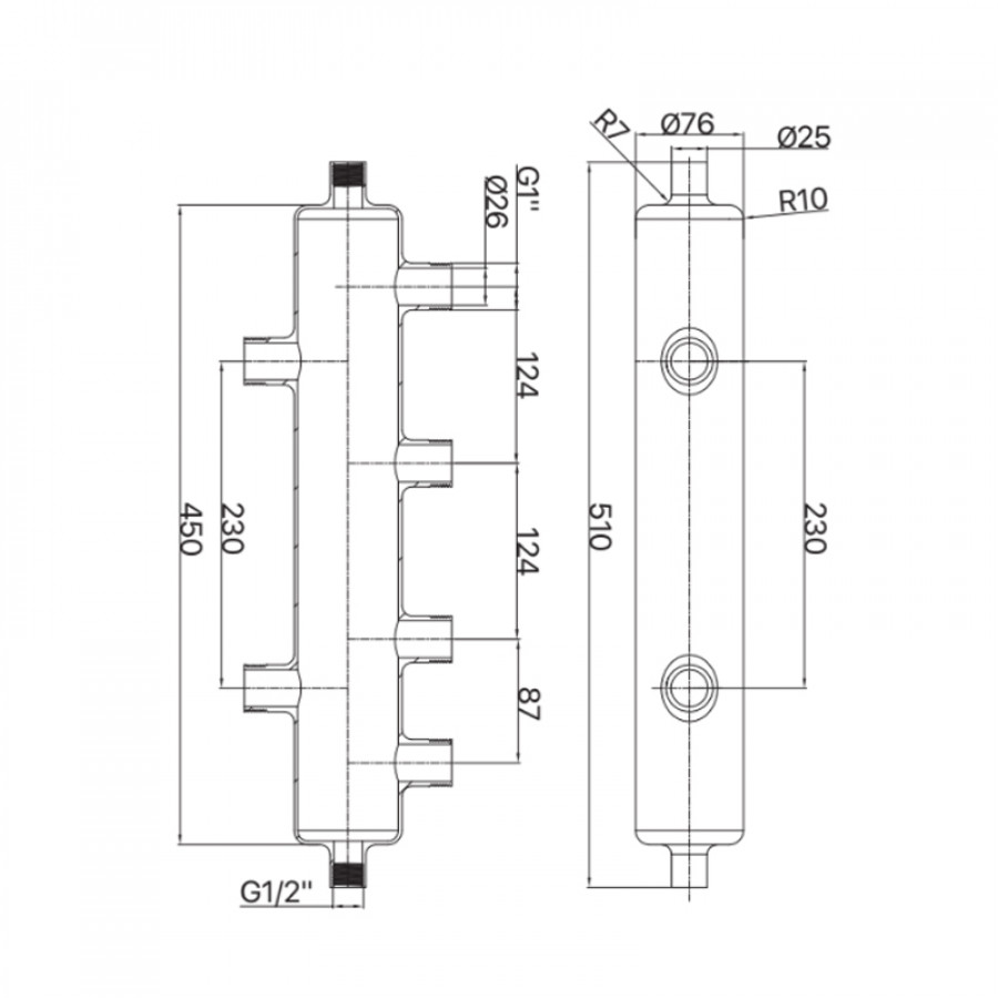
- Діаметр підключення: 1"НР – універсальний розмір для більшості систем опалення;
- Комплектація: оснащена автоматичним воздухоотводом і дренажним краном для спрощення обслуговування;
- Внутрішня конструкція: оптимізована для максимального розділення потоків теплоносія;
- Призначення: застосовується для гідравлічного розв’язання систем опалення, зменшуючи гідравлічні удари і забезпечуючи стабільну роботу котла;
- Виробник: KOER – відомий бренд, який зарекомендував себе на ринку України як надійний постачальник сантехніки та обладнання для опалення.
Переваги використання гідрострелки Koer KR.S1032 4/2
- Покращена гідравлічна розв’язка: завдяки конструкції гідрострелка Koer дозволяє розділити циркуляційні контури котла та системи опалення, що виключає взаємний вплив потоків і забезпечує стабільну роботу системи.
- Захист від повітряних пробок: вбудований автоматичний воздухоотвод ефективно видаляє повітря, що запобігає корозії і шумам у системі.
- Зручне обслуговування: дренажний кран дозволяє легко зливати теплоносій для ремонту або профілактичного обслуговування без демонтажу обладнання.
- Висока стійкість до корозії: матеріал SUS304 гарантує тривалий термін служби навіть при контакті з агресивними середовищами.
- Універсальність застосування: підходить для систем опалення приватних будинків, комерційних будівель і промислових об’єктів.
Технічні характеристики
- Тип: гідрострелка з воздухоотводом і дренажним краном;
- Матеріал корпусу: нержавіюча сталь SUS304;
- Діаметр підключення: 1"НР;
- Максимальний робочий тиск: до 6 бар;
- Максимальна робоча температура: до 110°C;
- Розміри: компактні, що полегшує монтаж у обмежених просторах;
- Вага: оптимальна для встановлення без додаткових кріплень.
Особливості монтажу та експлуатації
Монтаж гідрострелки Koer KR.S1032 4/2 є простим та інтуїтивно зрозумілим. Для забезпечення надійної роботи рекомендується дотримуватися наступних рекомендацій:
- Встановлювати гідрострелку в місці легкого доступу для обслуговування;
- Підключати до системи з урахуванням напрямку потоку теплоносія;
- Перевіряти герметичність з'єднань після монтажу;
- Регулярно очищувати воздухоотвод для запобігання накопиченню повітря;
- Використовувати відповідні герметики та ущільнювачі для запобігання протіканню.
Чому варто купити гідрострелку Koer KR.S1032 4/2 в Україні?
Інтернет-магазин сантехніки пропонує оригінальну гідрострелку від бренду KOER з гарантією якості та сервісною підтримкою. Купуючи у нас, ви отримуєте:
- Швидку доставку по всій території України;
- Консультації кваліфікованих фахівців з вибору обладнання;
- Гарантію на виріб і можливість сервісного обслуговування;
- Конкурентні ціни та вигідні умови оплати;
- Великий асортимент супутніх товарів для систем опалення.
Підсумок
Гідрострелка Koer KR.S1032 4/2 – це надійний, довговічний та ефективний елемент систем опалення, який забезпечує стабільну роботу котла і комфортне опалення приміщень. Вибір цього обладнання – це інвестиція у безперебійну роботу вашої системи опалення та збереження енергії.
Замовляйте гідрострелку Koer KR.S1032 4/2 у нашому інтернет-магазині та отримайте професійне обладнання для вашої системи опалення вже сьогодні!
Інформація про оплату
СПОСОБИ ОПЛАТИ
- Оплата на картку Monobank
Реквізити картки надсилає менеджер інтернет-магазину після підтвердження замовлення
- Оплата на розрахунковий рахунок
Рахунок виставляється менеджером інтернет-магазину після підтвердження замовлення
- Оплата готівкою
При отриманні з магазину або кур'єру при адресній доставці Кривий Ріг
- Оплата карткою
Тільки в офлайн магазині у м. Кривий Ріг
Доставка здійснюється по всій території України (крім місць, де тимчасово неможливе поштове сполучення).
ДОСТАВКА ПО МІСТУ КРИВИЙ РІГ
- Самовивіз: магазин за адресою м. Кривий Ріг, проспект Металургів 33.
- Доставка кур'єром: по м. Кривий Ріг.
Перед відвідуванням магазину, будь ласка, резервуйте товар зручним способом: замовлення через сайт, онлайн-консультант або по телефону.
ВАЖЛИВО: несплачений товар резервується у магазині до 3-х робочих днів.
ДОСТАВКА ПО УКРАЇНІ
Поштова служба Нова Пошта:
- До відділення Нової Пошти
- Адресна доставка: кур'єр Нової Пошти привезе вам товар додому
Вартість доставки за тарифами перевізника.
ТЕРМІНИ ДОСТАВКИ
Термін доставки вашого замовлення може становити від 1 до 5 робочих днів і обов'язково узгоджується при підтвердженні замовлення.
ІНФОРМАЦІЯ ПРО ДОСТАВКУ
Перед відправкою абсолютно всі товари перевіряються на наявність дефектів та комплектацію.
Купуючи великогабаритний товар, пам'ятайте, що відділення Нової Пошти мають обмеження по вазі.
Після надсилання замовлення номер товарно-транспортної накладної (ТТН) надійде у вигляді SMS-повідомлення.
Пошта стягує додаткову плату за зберігання посилок через 5 діб. Безкоштовне зберігання замовлення на складі перевізника до 5 днів. Посилки автоматично відкликаються після 5 днів зберігання на складі кур'єрської служби. Забирайте замовлення вчасно!
Якщо посилка прийшла в пошкодженій упаковці, рекомендується розкривати її в присутності співробітника транспортної компанії.
Якщо якість товару або його зовнішній вигляд не відповідає опису на нашому сайті або товар має незадовільний вигляд, зв'яжіться з нами за телефонами:
- +380 (93) 834-79-40 (WhatsApp, Telegram, Viber)
- +380 (63) 494-83-99
- +380 (97) 220-44-13
Теги: Гідрострелка Koer KR.S1032 4/2 (з воздухоотвод. І дренаж. краном) 1"НР SUS304 (KR2959), , KR2959, O&L, Система отопления












