Термостат механічний занурювальний Koer KR.1350 (0...+90*C) (KP2775)
Термостат механічний занурювальний Koer KR.1350 (0...+90°C) (KP2775) – Надійний контроль температури для вашої системи опалення
Термостат механічний занурювальний Koer KR.1350 – це ефективний та простий у використанні пристрій для регулювання температури в системах опалення, який ідеально підходить для побутового та комерційного застосування в Україні. Завдяки широкому діапазону налаштувань від 0 до +90°C, цей термостат забезпечує точний контроль температури теплоносія, що гарантує комфорт і економію енергії.
Основні характеристики термостата Koer KR.1350
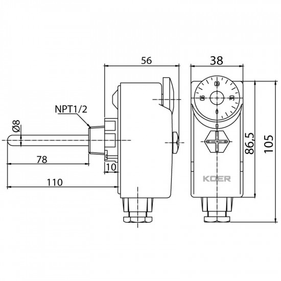
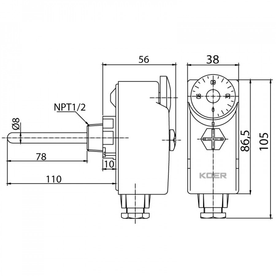
- Тип пристрою: механічний занурювальний термостат;
- Діапазон температур: від 0°C до +90°C;
- Матеріал корпусу: міцний метал, стійкий до корозії;
- Сфера застосування: системи опалення, гарячого водопостачання, теплові контури;
- Сумісність: підходить для більшості котлів, бойлерів та насосів;
- Бренд: KOER – гарант якості та довговічності;
- Код товару: KP2775.
Переваги використання занурювального термостата Koer KR.1350
- Висока точність регулювання температури. Механічний принцип роботи забезпечує стабільне підтримання встановленої температури без електронних збоїв.
- Надійність і довговічність. Корпус із міцного металу захищає внутрішній механізм від пошкоджень та корозії, що особливо важливо для систем з гарячою водою.
- Простота монтажу та експлуатації. Занурювальний тип дозволяє легко встановити термостат у відповідний патрубок або гільзу вашого обладнання.
- Універсальність. Підходить для різних типів систем опалення: газових, електричних, а також водяних контурів.
- Економія енергоресурсів. Точне підтримання температури допомагає уникнути перерозподілу тепла і зайвих витрат палива чи електроенергії.
Де і як застосовується термостат Koer KR.1350?
Занурювальний термостат Koer KR.1350 широко використовується у різних системах опалення та гарячого водопостачання. Його основні сфери застосування включають:
- Газові та електричні котли;
- Бойлери для нагріву води;
- Системи циркуляції теплоносія;
- Промислові теплові контури;
- Водонагрівачі та інше обладнання, що потребує точного контролю температури.
Монтаж термостата виконується шляхом занурення його у спеціальну гільзу або патрубок, де він безпосередньо контактує з теплоносієм. Це забезпечує максимально швидку і точну реакцію на зміни температури.
Як купити термостат механічний занурювальний Koer KR.1350 в Україні?
Наш інтернет-магазин сантехніки пропонує оригінальний термостат Koer KR.1350 за вигідною ціною з доставкою по всій Україні. Ми гарантуємо високу якість товару, офіційну гарантію виробника та професійну консультацію при виборі обладнання.
Переваги покупки у нас:
- Швидка обробка замовлення і доставка у будь-який регіон України;
- Професійна підтримка і допомога у виборі систем опалення;
- Гарантія якості від бренду KOER і відповідність всім технічним стандартам;
- Зручні способи оплати – безготівковий розрахунок, накладений платіж, онлайн-оплата;
- Регулярні акції та знижки для постійних клієнтів.
Підсумок: чому варто обрати Koer KR.1350?
Термостат механічний занурювальний Koer KR.1350 – це надійне рішення для ефективного контролю температури у вашій системі опалення. Завдяки широкому температурному діапазону, міцній конструкції і простоті в експлуатації, цей пристрій забезпечить комфортне тепло та знизить витрати на енергоресурси.
Замовляйте термостат Koer KR.1350 у нашому інтернет-магазині сантехніки вже сьогодні і отримайте якісний товар із гарантією, який прослужить вам довгі роки!
Інформація про оплату
СПОСОБИ ОПЛАТИ
- Оплата на картку Monobank
Реквізити картки надсилає менеджер інтернет-магазину після підтвердження замовлення
- Оплата на розрахунковий рахунок
Рахунок виставляється менеджером інтернет-магазину після підтвердження замовлення
- Оплата готівкою
При отриманні з магазину або кур'єру при адресній доставці Кривий Ріг
- Оплата карткою
Тільки в офлайн магазині у м. Кривий Ріг
Доставка здійснюється по всій території України (крім місць, де тимчасово неможливе поштове сполучення).
ДОСТАВКА ПО МІСТУ КРИВИЙ РІГ
- Самовивіз: магазин за адресою м. Кривий Ріг, проспект Металургів 33.
- Доставка кур'єром: по м. Кривий Ріг.
Перед відвідуванням магазину, будь ласка, резервуйте товар зручним способом: замовлення через сайт, онлайн-консультант або по телефону.
ВАЖЛИВО: несплачений товар резервується у магазині до 3-х робочих днів.
ДОСТАВКА ПО УКРАЇНІ
Поштова служба Нова Пошта:
- До відділення Нової Пошти
- Адресна доставка: кур'єр Нової Пошти привезе вам товар додому
Вартість доставки за тарифами перевізника.
ТЕРМІНИ ДОСТАВКИ
Термін доставки вашого замовлення може становити від 1 до 5 робочих днів і обов'язково узгоджується при підтвердженні замовлення.
ІНФОРМАЦІЯ ПРО ДОСТАВКУ
Перед відправкою абсолютно всі товари перевіряються на наявність дефектів та комплектацію.
Купуючи великогабаритний товар, пам'ятайте, що відділення Нової Пошти мають обмеження по вазі.
Після надсилання замовлення номер товарно-транспортної накладної (ТТН) надійде у вигляді SMS-повідомлення.
Пошта стягує додаткову плату за зберігання посилок через 5 діб. Безкоштовне зберігання замовлення на складі перевізника до 5 днів. Посилки автоматично відкликаються після 5 днів зберігання на складі кур'єрської служби. Забирайте замовлення вчасно!
Якщо посилка прийшла в пошкодженій упаковці, рекомендується розкривати її в присутності співробітника транспортної компанії.
Якщо якість товару або його зовнішній вигляд не відповідає опису на нашому сайті або товар має незадовільний вигляд, зв'яжіться з нами за телефонами:
- +380 (93) 834-79-40 (WhatsApp, Telegram, Viber)
- +380 (63) 494-83-99
- +380 (97) 220-44-13
Теги: Термостат механічний занурювальний Koer KR.1350 (0...+90*C) (KP2775), , KP2775, O&L, Система отопления










