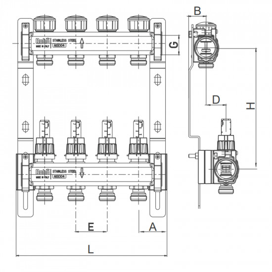
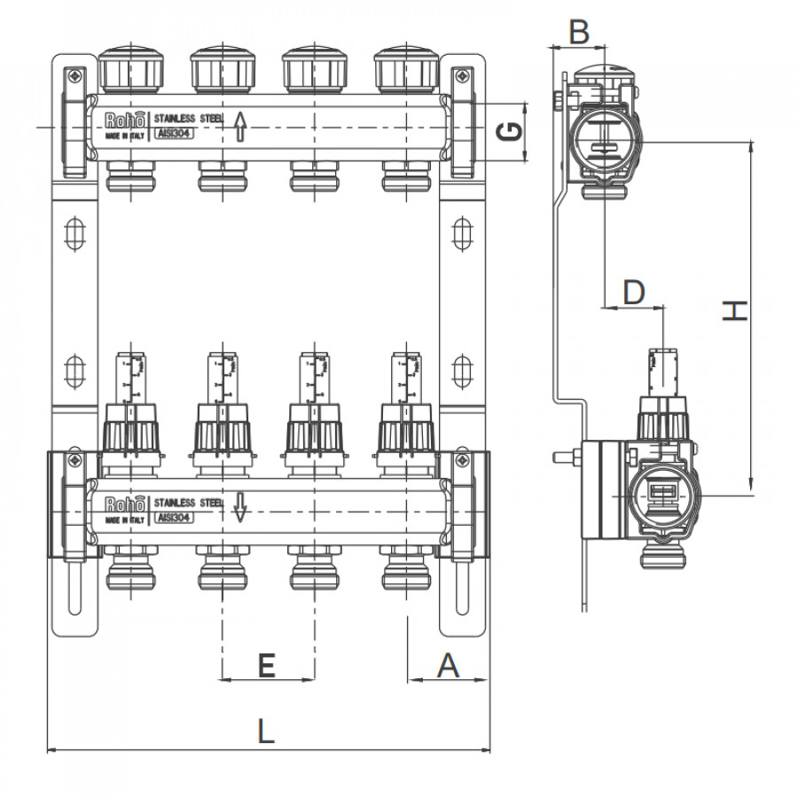
Колектор з витратоміром та термостатичними клапанами Roho R804-06 - 1"х 6 вих. (RO0038)
Колектор з витратоміром та термостатичними клапанами Roho R804-06 - ідеальне рішення для теплої підлоги
Колектор Roho R804-06 – це високоякісний елемент системи теплої підлоги, який забезпечує ефективний розподіл теплоносія між різними контурами опалення. Завдяки інноваційній конструкції та надійним матеріалам, цей колектор є незамінним компонентом для створення комфортного мікроклімату у вашому будинку чи офісі в Україні.
Основні характеристики колектора Roho R804-06:
- Бренд: ROHO – відомий виробник сантехнічного обладнання з багаторічним досвідом.
- Модель: R804-06 (RO0038).
- Кількість виходів: 6, що дозволяє підключити до шести контурів теплої підлоги.
- Розмір підключення: 1" – стандартне різьблення для зручного монтажу.
- Витратоміри: вбудовані для контролю та регулювання потоку води в кожному контурі.
- Термостатичні клапани: забезпечують автоматичне підтримання заданої температури теплоносія.
- Матеріал корпусу: міцний та корозійностійкий латунний сплав для тривалого терміну служби.
Переваги використання колектора Roho R804-06 в системі теплої підлоги
- Ефективний розподіл тепла: завдяки точному регулюванню витрати теплоносія через витратоміри, кожна зона опалення отримує необхідну кількість тепла.
- Зручність монтажу: стандартний розмір підключення 1" дозволяє швидко інтегрувати колектор у вже існуючу систему без додаткових адаптерів.
- Автоматичний контроль температури: термостатичні клапани підтримують комфортний рівень тепла в приміщеннях, що сприяє енергозбереженню.
- Надійність і довговічність: корпус з латуні стійкий до корозії та механічних пошкоджень.
- Компактність і ергономічність: конструкція колектора дозволяє економити місце у монтажному шафі або ніші.
Де застосовується колектор Roho R804-06?
Колектор з витратоміром та термостатичними клапанами Roho R804-06 ідеально підходить для:
- Систем теплої підлоги в житлових будинках і квартирах.
- Комерційних приміщень, офісів, магазинів.
- Об'єктів із зональним опаленням, де необхідний індивідуальний контроль температури.
- Реконструкції та модернізації існуючих систем опалення.
Чому варто купити колектор Roho R804-06 у нашому інтернет-магазині?
- Гарантія якості: всі товари бренду ROHO сертифіковані і відповідають європейським стандартам.
- Доставка по Україні: швидка та надійна доставка в будь-який регіон країни.
- Конкурентні ціни: прямі поставки від виробника дозволяють пропонувати оптимальні ціни.
- Професійна консультація: наші менеджери допоможуть обрати правильне обладнання для вашої системи.
- Підтримка клієнтів: сервісний супровід та допомога після покупки.
Як правильно встановити колектор Roho R804-06?
Щоб система теплої підлоги працювала максимально ефективно, монтаж колектора повинен виконуватися з урахуванням наступних рекомендацій:
- Переконайтеся, що всі контури теплої підлоги підключені відповідно до маркировки на колекторі.
- Встановіть витратоміри для кожного контуру, щоб контролювати і регулювати потік теплоносія.
- Підключіть термостатичні клапани і налаштуйте їх відповідно до потрібної температури.
- Перевірте герметичність усіх з’єднань перед запуском системи.
- Забезпечте доступ до колектора для можливого технічного обслуговування.
Підсумок
Колектор з витратоміром та термостатичними клапанами Roho R804-06 – це надійний та функціональний компонент системи теплої підлоги, що забезпечує точне регулювання температури та рівномірний розподіл тепла. Купуючи цей колектор в нашому інтернет-магазині сантехніки, ви отримуєте якісний продукт з гарантією, вигідною ціною та професійною підтримкою.
Зробіть свій дім теплим та комфортним вже сьогодні – обирайте Roho R804-06 для системи теплої підлоги!
Інформація про оплату
СПОСОБИ ОПЛАТИ
- Оплата на картку Monobank
Реквізити картки надсилає менеджер інтернет-магазину після підтвердження замовлення
- Оплата на розрахунковий рахунок
Рахунок виставляється менеджером інтернет-магазину після підтвердження замовлення
- Оплата готівкою
При отриманні з магазину або кур'єру при адресній доставці Кривий Ріг
- Оплата карткою
Тільки в офлайн магазині у м. Кривий Ріг
Доставка здійснюється по всій території України (крім місць, де тимчасово неможливе поштове сполучення).
ДОСТАВКА ПО МІСТУ КРИВИЙ РІГ
- Самовивіз: магазин за адресою м. Кривий Ріг, проспект Металургів 33.
- Доставка кур'єром: по м. Кривий Ріг.
Перед відвідуванням магазину, будь ласка, резервуйте товар зручним способом: замовлення через сайт, онлайн-консультант або по телефону.
ВАЖЛИВО: несплачений товар резервується у магазині до 3-х робочих днів.
ДОСТАВКА ПО УКРАЇНІ
Поштова служба Нова Пошта:
- До відділення Нової Пошти
- Адресна доставка: кур'єр Нової Пошти привезе вам товар додому
Вартість доставки за тарифами перевізника.
ТЕРМІНИ ДОСТАВКИ
Термін доставки вашого замовлення може становити від 1 до 5 робочих днів і обов'язково узгоджується при підтвердженні замовлення.
ІНФОРМАЦІЯ ПРО ДОСТАВКУ
Перед відправкою абсолютно всі товари перевіряються на наявність дефектів та комплектацію.
Купуючи великогабаритний товар, пам'ятайте, що відділення Нової Пошти мають обмеження по вазі.
Після надсилання замовлення номер товарно-транспортної накладної (ТТН) надійде у вигляді SMS-повідомлення.
Пошта стягує додаткову плату за зберігання посилок через 5 діб. Безкоштовне зберігання замовлення на складі перевізника до 5 днів. Посилки автоматично відкликаються після 5 днів зберігання на складі кур'єрської служби. Забирайте замовлення вчасно!
Якщо посилка прийшла в пошкодженій упаковці, рекомендується розкривати її в присутності співробітника транспортної компанії.
Якщо якість товару або його зовнішній вигляд не відповідає опису на нашому сайті або товар має незадовільний вигляд, зв'яжіться з нами за телефонами:
- +380 (93) 834-79-40 (WhatsApp, Telegram, Viber)
- +380 (63) 494-83-99
- +380 (97) 220-44-13
Теги: Колектор з витратоміром та термостатичними клапанами Roho R804-06 - 1"х 6 вих. (RO0038), , RO0038, O&L, Тепла підлога








