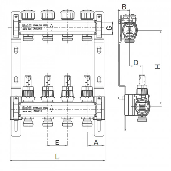
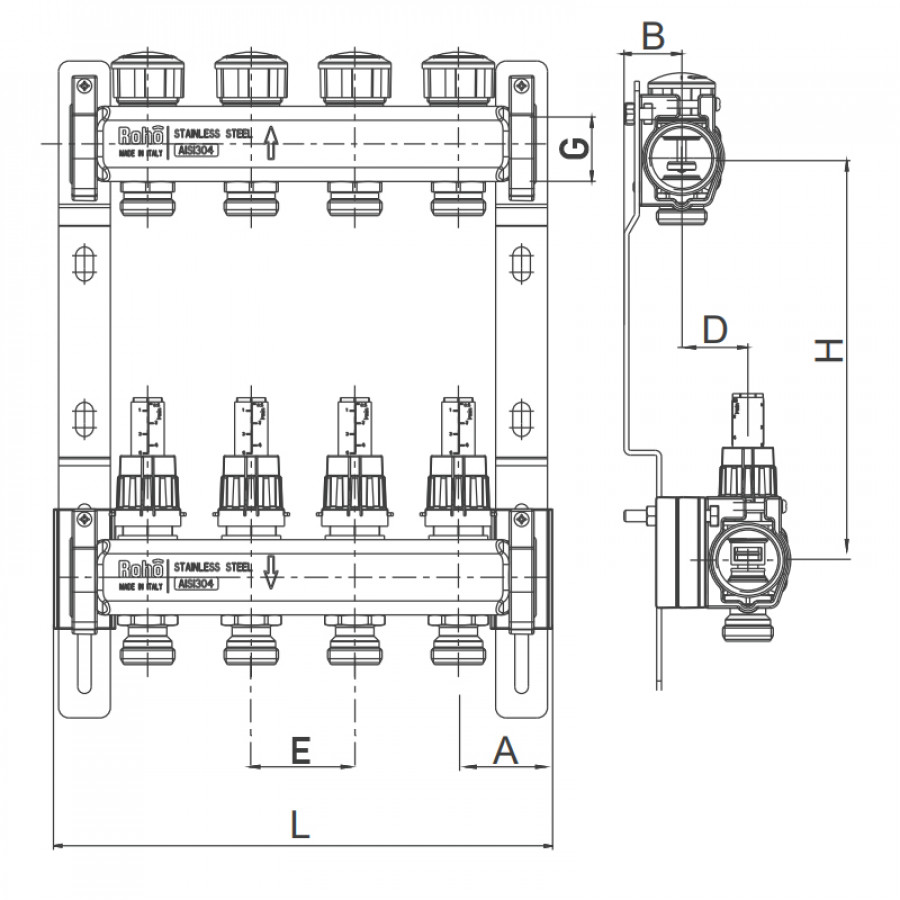
Колектор з витратоміром та термостатичними клапанами Roho R804-11 - 1"х 11 вих. (RO0043)
Колектор з витратоміром та термостатичними клапанами Roho R804-11 - ідеальне рішення для теплої підлоги
Колектор з витратоміром та термостатичними клапанами Roho R804-11 (1"х 11 вих.) – це високоякісний та надійний елемент системи теплої підлоги, який забезпечує ефективне та точне регулювання подачі теплоносія до різних контурів опалення. Цей колектор розроблений спеціально для комфортного та енергоефективного опалення житлових і комерційних приміщень.
Основні переваги колектора Roho R804-11
- Висока якість матеріалів: корпус і всі внутрішні компоненти виготовлені з міцних і корозійностійких матеріалів, що забезпечує довговічність і надійність експлуатації;
- Точний витратомір: дозволяє контролювати обсяг теплоносія, що проходить через кожен контур, що забезпечує рівномірний розподіл тепла;
- Термостатичні клапани: забезпечують автоматичне підтримання заданої температури в кожній зоні теплої підлоги, що підвищує комфорт і економить енергію;
- Зручність монтажу: конструкція колектора передбачає легке підключення і регулювання, що значно спрощує установку системи.
Технічні характеристики Roho R804-11
- Розмір підключення: 1" (вхід колектора);
- Кількість виходів: 11;
- Матеріал корпусу: латунь з хромованим покриттям;
- Максимальний робочий тиск: до 6 бар;
- Максимальна робоча температура: до 90°C;
- Витратоміри з прозорим індикатором для контролю потоку теплоносія;
- Термостатичні клапани з можливістю тонкого налаштування температури;
- Сумісність з різними типами теплоносіїв, включаючи воду та антифриз;
- Компактні розміри для зручності монтажу у колекторних шафах та нішах.
Для чого потрібен колектор з витратоміром та термостатичними клапанами?
Колектор Roho R804-11 – це центральний елемент розподілу теплоносія в системах теплої підлоги. Він виконує кілька ключових функцій:
- Розподіл теплоносія по різних контурах з рівномірним навантаженням;
- Контроль витрат для кожного контуру завдяки вбудованим витратомірам;
- Регулювання температури в кожній зоні через термостатичні клапани, що підключаються до термостатів;
- Підвищення енергоефективності і зниження експлуатаційних витрат системи опалення;
- Спрощення монтажу і сервісного обслуговування системи теплої підлоги.
Де застосовується колектор Roho R804-11?
Цей колектор ідеально підходить для:
- Житлових будинків і квартир;
- Офісних приміщень;
- Комерційних об'єктів з системою теплої підлоги;
- Реконструкції та модернізації існуючих систем опалення;
- Будівництва нових об'єктів з використанням сучасних технологій опалення.
Переваги покупки колектора Roho R804-11 в нашому інтернет-магазині
- Гарантія якості: ми пропонуємо оригінальну продукцію бренду ROHO, що відповідає всім європейським стандартам;
- Професійна консультація: наші спеціалісти допоможуть підібрати оптимальне рішення саме для вашої системи теплої підлоги;
- Зручна доставка: оперативне відправлення товару по всій території України;
- Вигідні ціни: доступні пропозиції без прихованих націнок;
- Підтримка клієнтів: допомога на всіх етапах покупки та встановлення.
Як замовити колектор Roho R804-11?
Щоб купити колектор з витратоміром та термостатичними клапанами Roho R804-11, достатньо:
- Додати товар у кошик на сайті;
- Оформити замовлення, вказавши контактні дані та адресу доставки;
- Обрати зручний спосіб оплати;
- Отримати консультацію від наших менеджерів щодо монтажу і використання.
Колектор Roho R804-11 – це надійний вибір для ефективного управління системою теплої підлоги, що забезпечить ваш будинок теплом і комфортом протягом усієї зими. Замовляйте зараз у нашому інтернет-магазині сантехніки і отримуйте якісний продукт від провідного бренду за вигідною ціною!
Інформація про оплату
СПОСОБИ ОПЛАТИ
- Оплата на картку Monobank
Реквізити картки надсилає менеджер інтернет-магазину після підтвердження замовлення
- Оплата на розрахунковий рахунок
Рахунок виставляється менеджером інтернет-магазину після підтвердження замовлення
- Оплата готівкою
При отриманні з магазину або кур'єру при адресній доставці Кривий Ріг
- Оплата карткою
Тільки в офлайн магазині у м. Кривий Ріг
Доставка здійснюється по всій території України (крім місць, де тимчасово неможливе поштове сполучення).
ДОСТАВКА ПО МІСТУ КРИВИЙ РІГ
- Самовивіз: магазин за адресою м. Кривий Ріг, проспект Металургів 33.
- Доставка кур'єром: по м. Кривий Ріг.
Перед відвідуванням магазину, будь ласка, резервуйте товар зручним способом: замовлення через сайт, онлайн-консультант або по телефону.
ВАЖЛИВО: несплачений товар резервується у магазині до 3-х робочих днів.
ДОСТАВКА ПО УКРАЇНІ
Поштова служба Нова Пошта:
- До відділення Нової Пошти
- Адресна доставка: кур'єр Нової Пошти привезе вам товар додому
Вартість доставки за тарифами перевізника.
ТЕРМІНИ ДОСТАВКИ
Термін доставки вашого замовлення може становити від 1 до 5 робочих днів і обов'язково узгоджується при підтвердженні замовлення.
ІНФОРМАЦІЯ ПРО ДОСТАВКУ
Перед відправкою абсолютно всі товари перевіряються на наявність дефектів та комплектацію.
Купуючи великогабаритний товар, пам'ятайте, що відділення Нової Пошти мають обмеження по вазі.
Після надсилання замовлення номер товарно-транспортної накладної (ТТН) надійде у вигляді SMS-повідомлення.
Пошта стягує додаткову плату за зберігання посилок через 5 діб. Безкоштовне зберігання замовлення на складі перевізника до 5 днів. Посилки автоматично відкликаються після 5 днів зберігання на складі кур'єрської служби. Забирайте замовлення вчасно!
Якщо посилка прийшла в пошкодженій упаковці, рекомендується розкривати її в присутності співробітника транспортної компанії.
Якщо якість товару або його зовнішній вигляд не відповідає опису на нашому сайті або товар має незадовільний вигляд, зв'яжіться з нами за телефонами:
- +380 (93) 834-79-40 (WhatsApp, Telegram, Viber)
- +380 (63) 494-83-99
- +380 (97) 220-44-13
Теги: Колектор з витратоміром та термостатичними клапанами Roho R804-11 - 1"х 11 вих. (RO0043), , RO0043, O&L, Тепла підлога








