Муфта редукційна ВВ 50x40 PPR Koer K0038.PRO (KP0046)
Муфта редукційна ВВ 50x40 PPR Koer K0038.PRO (KP0046) – надійне рішення для сантехнічних систем
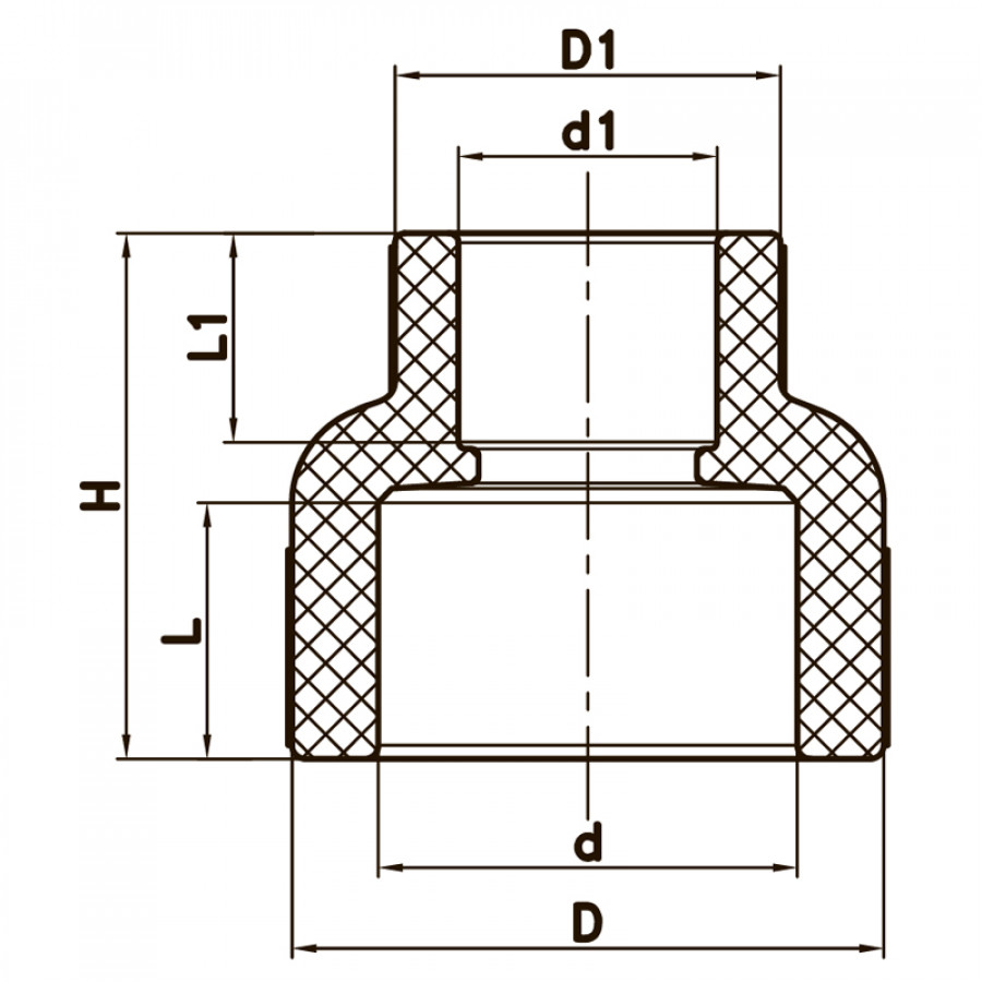
Муфта редукційна ВВ 50x40 PPR Koer K0038.PRO (KP0046) – це високоякісний елемент трубопровідної системи, що забезпечує надійне з’єднання поліпропіленових труб різного діаметру. Вона ідеально підходить для монтажу систем опалення, водопостачання та інших сантехнічних мереж.
Основні характеристики та переваги муфти редукційної Koer
- Матеріал: поліпропілен (PPR) високої якості, що гарантує довговічність та стійкість до корозії;
- Тип з’єднання: внутрішнє різьблення (ВВ), що забезпечує герметичність та легкість монтажу;
- Розміри: 50x40 мм – дозволяє з’єднати труби різного діаметру без додаткових адаптерів;
- Бренд: KOER – відомий виробник сантехніки з перевіреною репутацією;
- Сфера застосування: системи гарячого і холодного водопостачання, опалення, промислові трубопроводи;
- Температурний режим: витримує експлуатацію при температурах до +95°C;
- Тиск: розрахована на робочий тиск до 25 бар, що забезпечує надійність навіть у складних умовах;
- Монтаж: легкий і швидкий монтаж з використанням паяльника для поліпропіленових труб.
Переваги використання муфти редукційної Koer K0038.PRO
- Висока якість матеріалів. Використання PPR забезпечує стійкість до агресивних середовищ, ультрафіолету та механічних пошкоджень.
- Надійність з’єднань. Внутрішнє різьблення гарантує щільне та герметичне з’єднання без протікань.
- Універсальність. Можливість з’єднання труб різних діаметрів робить муфту незамінною у багатьох інженерних рішеннях.
- Економія часу на монтаж. Простота установки дозволяє суттєво скоротити час монтажних робіт.
- Довговічність. Муфта прослужить багато років без втрати експлуатаційних властивостей.
Технічні характеристики муфти редукційної ВВ 50x40 PPR Koer K0038.PRO (KP0046)
| Матеріал | Поліпропілен (PPR) |
| Тип з’єднання | Внутрішнє різьблення (ВВ) |
| Розміри | 50x40 мм |
| Максимальна температура експлуатації | +95°C |
| Максимальний робочий тиск | 25 бар |
| Сфера застосування | Опалення, водопостачання, промислові системи |
| Виробник | KOER |
Як правильно вибрати та встановити муфту редукційну Koer
Щоб муфта редукційна ВВ 50x40 PPR Koer K0038.PRO (KP0046) служила довго і бездоганно, рекомендуємо дотримуватися наступних порад:
- Підбір відповідного розміру: переконайтеся, що розміри труб співпадають з параметрами муфти;
- Перевірка сумісності матеріалів: муфта призначена для поліпропіленових труб, тому використання з іншими матеріалами потребує додаткових адаптерів;
- Правильний монтаж: використовуйте спеціальний паяльник для поліпропіленових труб, дотримуйтесь інструкції виробника для досягнення найкращої герметизації;
- Огляд перед установкою: перевірте муфту на наявність видимих дефектів або пошкоджень;
- Дотримання температурного режиму: не допускайте перевищення максимальної температури експлуатації системи.
Де купити муфту редукційну ВВ 50x40 PPR Koer K0038.PRO (KP0046) в Україні?
Наш інтернет-магазин пропонує широкий асортимент сантехнічних виробів від провідних виробників, серед яких муфта редукційна ВВ 50x40 PPR Koer K0038.PRO (KP0046) займає лідируючі позиції за якістю та надійністю. Ми гарантуємо:
- Оригінальність товару;
- Конкурентні ціни;
- Швидку доставку по всій території України;
- Професійні консультації з підбору продукції;
- Гарантію якості від виробника.
Замовляйте муфту редукційну Koer вже сьогодні, щоб забезпечити надійність вашої сантехнічної системи на довгі роки!
Інформація про оплату
СПОСОБИ ОПЛАТИ
- Оплата на картку Monobank
Реквізити картки надсилає менеджер інтернет-магазину після підтвердження замовлення
- Оплата на розрахунковий рахунок
Рахунок виставляється менеджером інтернет-магазину після підтвердження замовлення
- Оплата готівкою
При отриманні з магазину або кур'єру при адресній доставці Кривий Ріг
- Оплата карткою
Тільки в офлайн магазині у м. Кривий Ріг
Доставка здійснюється по всій території України (крім місць, де тимчасово неможливе поштове сполучення).
ДОСТАВКА ПО МІСТУ КРИВИЙ РІГ
- Самовивіз: магазин за адресою м. Кривий Ріг, проспект Металургів 33.
- Доставка кур'єром: по м. Кривий Ріг.
Перед відвідуванням магазину, будь ласка, резервуйте товар зручним способом: замовлення через сайт, онлайн-консультант або по телефону.
ВАЖЛИВО: несплачений товар резервується у магазині до 3-х робочих днів.
ДОСТАВКА ПО УКРАЇНІ
Поштова служба Нова Пошта:
- До відділення Нової Пошти
- Адресна доставка: кур'єр Нової Пошти привезе вам товар додому
Вартість доставки за тарифами перевізника.
ТЕРМІНИ ДОСТАВКИ
Термін доставки вашого замовлення може становити від 1 до 5 робочих днів і обов'язково узгоджується при підтвердженні замовлення.
ІНФОРМАЦІЯ ПРО ДОСТАВКУ
Перед відправкою абсолютно всі товари перевіряються на наявність дефектів та комплектацію.
Купуючи великогабаритний товар, пам'ятайте, що відділення Нової Пошти мають обмеження по вазі.
Після надсилання замовлення номер товарно-транспортної накладної (ТТН) надійде у вигляді SMS-повідомлення.
Пошта стягує додаткову плату за зберігання посилок через 5 діб. Безкоштовне зберігання замовлення на складі перевізника до 5 днів. Посилки автоматично відкликаються після 5 днів зберігання на складі кур'єрської служби. Забирайте замовлення вчасно!
Якщо посилка прийшла в пошкодженій упаковці, рекомендується розкривати її в присутності співробітника транспортної компанії.
Якщо якість товару або його зовнішній вигляд не відповідає опису на нашому сайті або товар має незадовільний вигляд, зв'яжіться з нами за телефонами:
- +380 (93) 834-79-40 (WhatsApp, Telegram, Viber)
- +380 (63) 494-83-99
- +380 (97) 220-44-13
Теги: Муфта редукційна ВВ 50x40 PPR Koer K0038.PRO (KP0046), , KP0046, O&L, Трубопроводи та з'єднання




