Врізка в бак з контргайкой Europroduct EP.0430 -1" (латунна) (EP6188)
Врізка в бак з контргайкою Europroduct EP.0430 - 1" (латунна) (EP6188) – надійне рішення для вашої сантехніки
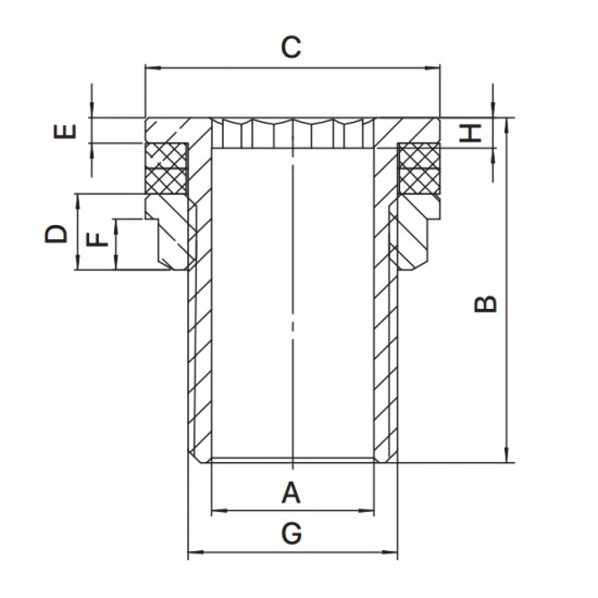
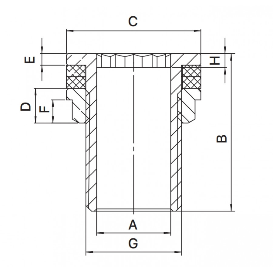
Врізка в бак Europroduct EP.0430 – це високоякісний елемент трубопровідної системи, створений для забезпечення міцного та герметичного з’єднання у водопостачанні. Виготовлена з латуні, ця врізка відзначається стійкістю до корозії, довговічністю та надійністю в експлуатації. Вона ідеально підходить для використання в системах холодного та гарячого водопостачання, а також у різноманітних сантехнічних конструкціях.
Основні характеристики врізки Europroduct EP.0430
- Матеріал: латунь високої якості;
- Розмір: 1 дюйм;
- Тип з’єднання: врізка в бак з контргайкою;
- Виробник: EUROPRODUCT;
- Модель: EP.0430 (код EP6188);
- Область застосування: водопровідні системи, опалення, сантехнічні установки;
- Стійкість до корозії: висока, завдяки латунному виконанню;
- Монтаж: простий, швидкий та надійний.
Переваги використання врізки в бак Europroduct EP.0430
- Надійність і довговічність. Латунь – це матеріал, який не піддається іржі та витримує значні механічні навантаження.
- Універсальність. Врізка підходить для баків різного типу та розмірів, забезпечуючи герметичне з’єднання труб з резервуаром.
- Зручність монтажу. Контргайка дозволяє легко та швидко встановити врізку без застосування спеціального обладнання.
- Економія часу та коштів. Використання готової врізки скорочує час на монтаж сантехнічних систем і знижує ризик протікань.
- Відповідність стандартам. Виріб відповідає технічним вимогам і стандартам якості, що гарантує безпечну експлуатацію.
Де застосовується врізка Europroduct EP.0430?
Цей елемент стане незамінним у таких сферах:
- монтаж систем холодного та гарячого водопостачання;
- з’єднання труб з водяними баками, резервуарами, бойлерами;
- ремонт та модернізація сантехнічних мереж;
- побутове і промислове водопостачання;
- опалювальні системи, де потрібне надійне з’єднання з баком;
- будівництво та реконструкція інженерних мереж.
Технічні рекомендації по використанню
Щоб забезпечити максимальну ефективність і довговічність врізки, рекомендуємо дотримуватися наступних порад:
- Перед монтажем очистіть поверхню бака від забруднень і іржі.
- Перевірте відповідність діаметра труби та врізки для забезпечення герметичності.
- Не застосовуйте надмірні зусилля при затягуванні контргайки, щоб уникнути пошкоджень.
- Регулярно перевіряйте стан з’єднання під час експлуатації, особливо в перші тижні після монтажу.
- За потреби використовуйте ущільнювальні матеріали (фум-стрічку, льон) для додаткової герметизації.
Чому варто купити врізку в бак Europroduct EP.0430 саме у нашому інтернет-магазині?
Ми пропонуємо тільки оригінальну продукцію від перевірених виробників, зокрема EUROPRODUCT, що гарантує високу якість і надійність кожного товару. Наші переваги:
- Офіційна гарантія від виробника;
- Доступні ціни та регулярні акції;
- Швидка доставка по всій Україні – Київ, Львів, Харків, Одеса та інші міста;
- Професійна консультація та підтримка при виборі товару;
- Зручні способи оплати, включаючи оплату при отриманні;
- Можливість повернення та обміну за умовами магазину.
Як замовити?
Оформити замовлення на врізку в бак Europroduct EP.0430 дуже просто:
- Додайте товар у кошик на сайті;
- Заповніть контактні дані та виберіть спосіб доставки;
- Підтвердіть замовлення;
- Отримайте консультацію від нашого менеджера при необхідності;
- Отримайте товар у зручний для вас час.
Висновок
Врізка в бак з контргайкою Europroduct EP.0430 - 1" (латунна) (EP6188) – це надійний та якісний елемент сантехніки, який забезпечить довговічне і герметичне з’єднання трубопровідної системи з баком. Вона ідеально підходить для широкого спектру застосувань у водопостачанні та опаленні, гарантує простий монтаж та безперебійну роботу. Купуйте цю врізку в нашому інтернет-магазині та забезпечте собі комфорт і спокій на довгі роки.
Інформація про оплату
СПОСОБИ ОПЛАТИ
- Оплата на картку Monobank
Реквізити картки надсилає менеджер інтернет-магазину після підтвердження замовлення
- Оплата на розрахунковий рахунок
Рахунок виставляється менеджером інтернет-магазину після підтвердження замовлення
- Оплата готівкою
При отриманні з магазину або кур'єру при адресній доставці Кривий Ріг
- Оплата карткою
Тільки в офлайн магазині у м. Кривий Ріг
Доставка здійснюється по всій території України (крім місць, де тимчасово неможливе поштове сполучення).
ДОСТАВКА ПО МІСТУ КРИВИЙ РІГ
- Самовивіз: магазин за адресою м. Кривий Ріг, проспект Металургів 33.
- Доставка кур'єром: по м. Кривий Ріг.
Перед відвідуванням магазину, будь ласка, резервуйте товар зручним способом: замовлення через сайт, онлайн-консультант або по телефону.
ВАЖЛИВО: несплачений товар резервується у магазині до 3-х робочих днів.
ДОСТАВКА ПО УКРАЇНІ
Поштова служба Нова Пошта:
- До відділення Нової Пошти
- Адресна доставка: кур'єр Нової Пошти привезе вам товар додому
Вартість доставки за тарифами перевізника.
ТЕРМІНИ ДОСТАВКИ
Термін доставки вашого замовлення може становити від 1 до 5 робочих днів і обов'язково узгоджується при підтвердженні замовлення.
ІНФОРМАЦІЯ ПРО ДОСТАВКУ
Перед відправкою абсолютно всі товари перевіряються на наявність дефектів та комплектацію.
Купуючи великогабаритний товар, пам'ятайте, що відділення Нової Пошти мають обмеження по вазі.
Після надсилання замовлення номер товарно-транспортної накладної (ТТН) надійде у вигляді SMS-повідомлення.
Пошта стягує додаткову плату за зберігання посилок через 5 діб. Безкоштовне зберігання замовлення на складі перевізника до 5 днів. Посилки автоматично відкликаються після 5 днів зберігання на складі кур'єрської служби. Забирайте замовлення вчасно!
Якщо посилка прийшла в пошкодженій упаковці, рекомендується розкривати її в присутності співробітника транспортної компанії.
Якщо якість товару або його зовнішній вигляд не відповідає опису на нашому сайті або товар має незадовільний вигляд, зв'яжіться з нами за телефонами:
- +380 (93) 834-79-40 (WhatsApp, Telegram, Viber)
- +380 (63) 494-83-99
- +380 (97) 220-44-13
Теги: Врізка в бак з контргайкой Europroduct EP.0430 -1" (латунна) (EP6188), , EP6188, O&L, Трубопроводи та з'єднання






